一.旁路负荷开简介使用:
旁路综合作用技术是一项提高配电网供电可靠性的新型作业技术。它包含配网常规作业,带电作业,旁路作业,移动电源作业等多种作业方式。12kV/24KV工程型旁路负荷开关是满足旁路综合新型作业技术的核心设备。此开关采用柔性电力电缆,自锁定快速插拔式电缆连接器,旁路开关,移动箱变车等设备以积木组合方式搭建出不同的配电单元向用户进行旁路供电。它不但可以使配电作业人员在不间断供电状态下完成线路检修工作,也能对较难处理的电缆线路的故障抢修进行临时供电,缩小停电范围,降低停电对用户的影响,提高了供电可靠性。旁路负荷开关采用绝缘及灭弧性能突出的SF6气体及先进的主回路结构,开关特征如下:
二.旁路负荷开关执行的标准:
设备的设计、制造、试验、包装、运输等,除应满足本标书规定的要求外,尚须遵照如下相关规范与标准。若这些标准做出修改时,应以修订后新标准执行。
GB/T18857-2002 《配电作业带电作业技术导则》
GB/T 16927 《高电压试验技术》
GB 50150 《电气设备交接试验标准》
GB/T18037—2008 《带电作业工具基本技术要求与设计导则》
GB311《高压输变电设备的绝缘配合》
GB/T2900 《电工术语 带电作业》
GB 3804 《3.6KV到40.5KV 高压交流负荷开关》
GB/T 12706 《额定电压1KV到35KV挤包绝缘电力电缆及其附件》
GB/T 14286 《带电作业工具设备术语》
GB/T 16927 《高电压试验技术》
GB-11033.1 《额定电压26/35KV及以下电力电缆附件技术要求 总则》
GB-11033.2 《额定电压26/35KV及以下电力电缆附件技术要求 电缆终端头》
GB-11033.3《额定电压26/35KV及以下电力电缆附件技术要求 电缆头》
GB3804 《3-63KV交流高压负荷开关》
GB3906 《3-35KV交流金属封闭形状设备》
GB7594 《电线电缆橡皮绝缘和橡皮护套》
DL/T 976 《带电作业工具、装置和设备预防性试验规程》
DL/T877 《带电作业工具、装置和设备使用的一般要求》
DL/T876 《带电作业绝缘配合导则》
DL/T878-2004 《带电作业用绝缘工具试验导则》
DL/T976—2005 《带电作业工具、装置和设备预防性试验规程》
IEC61318 《带电作业工具、装置和设备的质量保证导则》
1.3.3本规范书所使用的标准如遇与供货方所执行的标准不一致时,按较高标准执行。
三.旁路负荷开关通用要求:
2.1 全部设备应是全新的,能持久耐用,即使在技术规范中没有明显地提出,也应满足在实际运行下作为一个完整产品一般应能满足的全部要求。
2.2 设备应设计成能防噪声、防高温、防火、防干扰、防潮湿的形式,使其分别满足技术要求。
2.3 设备应能安全的承受技术规范所规定的外力冲击。
2.4 用于设备上的管路、线路和附件应有足够的机械及电气强度,颜色及标识应符合相关产品的技术规定。
2.5 材料设备设计中所使用的全部材料应是新的、质量好的及为恰当的,并应说明等级。选定材料的等级和标准牌号应以相应的审定图纸或材料清单提交招标人确认。
3 旁路负荷开关项目需求:
3.1 货物需求及供货范围见表1。
表1 货物需求及供货范围一览表
|
序号 |
组件材料费用项目名称 |
项目单位要求 |
投标人响应 |
||||
|
规格 |
单位 |
数量 |
规格型号 |
单位 |
数量 |
||
|
1 |
旁路负荷开关 |
额定开断负荷电流不小于200A,具备快速插拔功能,配备旁路开关地上固定器及杆上固定器、绝缘地垫(500*1000mm) |
台 |
1 |
|
|
|
|
2 |
高压引下电缆 |
单根长度不小于20m,配备电缆收纳箱 |
根 |
6 |
|
|
|
|
3 |
连接型电缆 |
单根长度不小于50m,配备电缆收纳卷线盘 |
根 |
6 |
|
|
|
|
4 |
中间接头组 |
|
组 |
1 |
|
|
|
|
5 |
中间接头保护盒 |
|
个 |
1 |
|
|
|
|
6 |
绝缘电缆支撑架 |
|
个 |
2 |
|
|
|
|
7 |
防潮帆布 |
帆布需覆盖范围长度不小于105000mm,宽度不小于900mm,厚度不小于1mm |
组 |
1 |
|
|
|
|
8 |
引下电缆固定工具 |
|
个 |
6 |
|
|
|
3.2 使用条件
本规范所规定的设备应能在下列条件使用:
位置:户外
温度:-10℃
气温:+50℃
日平均温差:25℃
空气相对湿度:95%(25℃)
四. 旁路负荷开关技术要求:
4.1 负荷开关技术参数
(产品图片仅供参考)
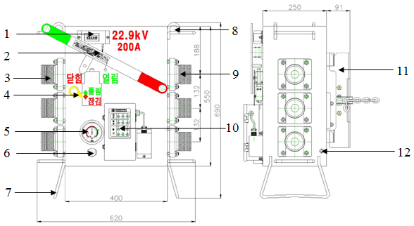
(1)负荷开关结构示意图要求:
|
项次 |
品名 |
项次 |
品名 |
|
1 |
计次器 |
7 |
下 脚架 |
|
2 |
操作把手、铭牌 |
8 |
上提把及吊耳 |
|
3 |
左侧铠装套管插座及防尘盖 |
9 |
右侧铠装套管插座及防尘盖 |
|
4 |
防 勿 操 作 锁 |
10 |
检相仪、内置电动操作机构 |
|
5 |
SF6气压表 |
11 |
旁路开关固定器 |
|
6 |
SF6气体注入孔 |
12 |
接地孔 |
1) 连接:方便、可靠;
2) 旁路负荷开关具备明确的“分”及“合”中文标示;
3) 机械寿命:至少3000次循环;(对接与分离为一个循环)
4) 套管插拔机械寿命1000次循环;
5) 旁路负荷开关具备气压显示功能,气压泄露报警功能,具有压力显示和失压闭锁装置,年漏气率:<0.5%
6) 旁路负荷开关具备开合次数计数(计次)功能,;计数器显示处于开关的左上方,每开或者关计数为一次
7) 旁路负荷开关具备闭锁及解锁的装置,防止施工运行时误操作。
8) 旁路负荷开关具有自动核相功能,核相器具有明显的同相与异相的指示信号、音响警报信号等提示信号。
9) 旁路负荷开关两侧具备提手,便于携带和上下吊装。
10) 旁路负荷开关配备有方便与电杆连接、固定的固定架。
11)旁路负荷开关负荷开关技术参数要求:
|
序号 |
名称 |
单位 |
技术要求 |
|
1 |
*额定电压 |
kV |
12/20 |
|
2 |
额定电流 |
A |
200 |
|
3 |
额定频率 |
Hz |
50 |
|
4 |
额定开断负荷电流 |
A |
200 |
|
5 |
额定开断负荷电流的次数 |
(次) |
300 |
|
6 |
开关器开断时间 |
ms |
2 |
|
7 |
工频耐受电压 |
/ |
对地45kV;相间:45kV;同相断口之间:48kV |
|
|
雷电冲击电压 |
/ |
对地95kV;相间:95kV;同相断口之间:105kV |
|
9 |
热稳定短路耐受程度 |
/ |
20kA、4秒 |
|
10 |
电动力稳定水平 |
/ |
50kA(峰值) |
|
11 |
开关导通的接触电阻 |
/ |
小于250uΩ |
|
12 |
三相分断的差异(不同期性能) |
/ |
小于3ms |
|
13 |
机械寿命 |
/ |
不小于3000次循环;(对接与分离为一个循环) |
|
14 |
套管插拔机械寿命 |
/ |
1000次循环 |
|
15 |
防护等级 |
/ |
IP67 |
|
16 |
核相 |
/ |
具有自动核相功能 |
|
17 |
安装方式 |
/ |
具备杆上、地面安装两种方式 |
|
18 |
内部灭弧介质 |
/ |
SF6 |
|
19 |
其他功能 |
/ |
具备气压显示功能、计次功能、气压显示功能,年漏气率:<0.5% |
4.2 高压引下电缆
旁路柔性电缆应为单芯电缆。电缆一端为快速插拔接头,另一端接绝缘引流线夹,20米/根
基本要求

1. 铜导体 2.导体屏蔽 3.EPR合成橡胶绝缘 4.绝缘屏蔽 5.铜丝编织屏蔽层 6.丁橡胶护套
Ø 旁路柔性电缆要求比一般同类型电力电缆具有更好柔软性的电缆,可以重复多次敷设,弯曲半径为静态4倍电缆直径,动态6倍电缆直径,试验2000次以上,其电气性能和机械性能均保持完好无损。
Ø 旁路柔性电缆的绝缘为热可塑性合成橡胶绝缘体(E.P.R),其正常允许温度不小于100℃。
Ø 旁路电缆使用温度:-40℃---+80℃,相对湿度:95%(在25℃)。
Ø 使用寿命:大于1000次循环(展放与回收为一个循环)。
|
序号 |
名称 |
单位 |
技术要求 |
|||||
|
1 |
※运行电压 |
kV |
12/20 |
|||||
|
2 |
※额定电流 |
A |
200 |
|||||
|
3 |
额定频率 |
Hz |
50 |
|||||
|
4 |
导体截面积 |
mm2 |
50 |
|||||
|
5 |
工频耐压 |
kV |
45kV/5min |
|||||
|
6 |
雷电冲击耐压 |
kV |
±95kV(各10次),1.2 /50 us |
|||||
|
7 |
局部放电量(1.73Uo) |
|
≤10pC |
|||||
|
8 |
电缆的热稳定电流水平(允许断路电流有效值) |
|
时间(s) |
0.2 |
0.5 |
1 |
2 |
3 |
|
|
15850 |
10030 |
1090 |
5010 |
4090 |
|||
|
9 |
电缆电动力水平 |
|
按照组装以后的条件在短路电流的作用下不使机械部分的构件损坏与变形,电动力的考核水平达到短路电流的峰值为40kA,时间200ms。 |
|||||
|
10 |
※电缆色标 |
/ |
电缆表面自带黄绿红三色色标,不可脱落。 |
|||||
4.3 旁路连接型电缆
旁路柔性电缆应为单芯电缆。每根电缆两端带连接头(快速拔插头),可与中间接头连接增加电缆长度,也可与负载启断开关连接,电缆长度为50米/根。
基本要求

1.铜导体 2.导体屏蔽 3.EPR合成橡胶绝缘 4.绝缘屏蔽 5.铜丝编织屏蔽层 6.丁橡胶护套
Ø 旁路柔性电缆要求比一般同类型电力电缆具有更好柔软性的电缆,可以重复多次敷设,弯曲半径为静态4倍电缆直径,动态6倍电缆直径,试验2000次以上,其电气性能和机械性能均保持完好无损。
Ø 旁路柔性电缆的绝缘为热可塑性合成橡胶绝缘体(E.P.R),其正常允许温度不小于100℃。
Ø 旁路电缆使用温度:-40℃---+80℃,相对湿度:95%(在25℃)。
Ø 使用寿命:大于1000次循环(展放与回收为一个循环)。
|
序号 |
名称 |
单位 |
技术要求 |
|||||
|
1 |
※运行电压 |
kV |
12/20 |
|||||
|
2 |
※额定电流 |
A |
200 |
|||||
|
3 |
额定频率 |
Hz |
50 |
|||||
|
4 |
导体截面积 |
mm2 |
50 |
|||||
|
5 |
工频耐压 |
kV |
45kV/5min |
|||||
|
6 |
雷电冲击耐压 |
kV |
±95kV(各10次),1.2 /50 us |
|||||
|
7 |
局部放电量(1.73Uo) |
|
≤10pC |
|||||
|
8 |
电缆的热稳定电流水平(允许断路电流有效值) |
|
时间(s) |
0.2 |
0.5 |
1 |
2 |
3 |
|
|
15850 |
10030 |
1090 |
5010 |
4090 |
|||
|
9 |
电缆电动力水平 |
|
按照组装以后的条件在短路电流的作用下不使机械部分的构件损坏与变形,电动力的考核水平达到短路电流的峰值为40kA,时间200ms。 |
|||||
|
10 |
※电缆色标 |
/ |
电缆表面自带黄绿红三色色标,不可脱落。 |
|||||
4.6 快速插拔式中间接头技术参数
Ø 机械锁止:对接方便,对接以后有牢固、可靠的闭锁装置,防止在对接以后自动脱落;分离时,在解除闭锁装置后,可方便的由对接状态改变到分离状态。
Ø 温升:在200A的额定电流下满足温升不大于55K。
Ø 接头的机械寿命:大于1000次循环(对接与分离为一个循环)。
Ø 接头能方便的与旁路柔性电缆和旁路负荷开关装置套管配合。
Ø 接头的内部导体材料:铜材料,电阻率满足IEC的通用标准。
Ø 接头的金属外壳:耐腐蚀、 高强度、有防滑处理。
Ø 接头的绝缘:接头具备全绝缘水平(指中间接头相互碰到接头的外表不发生相间短路,接头外表碰到接地体时不发生接地短路)。
|
序号 |
名称 |
单位 |
技术要求 |
|
1 |
*运行电压 |
kV |
12/20 |
|
2 |
额定电流 |
A |
200 |
|
3 |
额定频率 |
Hz |
50 |
|
4 |
工频耐压 |
kV |
45kV/5min |
|
5 |
雷电冲击耐压 |
kV |
±95kV(各10次),1.2 /50 us |
|
6 |
局部放电量(1.73Uo) |
|
≤10pC |
|
7 |
电缆电动力水平 |
|
按照组装以后的条件在短路电流的作用下不使机械部分的构件损坏与变形,电动力的考核水平达到短路电流的峰值为40kA,时间200ms。 |
|
8 |
热稳定水平 |
|
同旁路柔性电缆 |
|
9 |
温升 |
|
在200A的额定电流下满足温升不大于55K |
|
10 |
机械寿命 |
|
不小于1000次循环(对接与分离为一个循环) |
|
11 |
接头的内部导体材料 |
|
铜材料,电阻率满足国标和IEC通用标准 |
|
12 |
其他 |
|
*接头自带计次、温度显示功能,能正确显示接头的使用次数和使用温度。 |
4.7 中间接头保护盒
功能:施工时保护接头用,可装三只铠装直线连接头,带接地装置。
4.9 绝缘电缆支撑架
Ø 材质:固定架以绝缘材质制成;
Ø 规格:≥Φ100mmX1200mm ;
Ø 承重:与电杆连接后,承重≥200kg
4.10 防潮帆布
尺寸要求:帆布需覆盖范围长度不小于105000mm,宽度不小于900mm,厚度不小于1mm
基本功能:用于非路口放置旁路电缆,防止电缆刮伤
4.11 旁路电缆引下电缆固定器
基本功能:用于在导线固定旁路引下电缆(固定器一端连接导线,另一端连接引下电缆本体),防止电缆连接器过度受力,加快引下电缆连接器损坏。
基本要求:连接器本体具备10kV耐压绝缘,防潮湿,防暴晒,能长期放置于户外使用。
4.12 其他要求
投标人提供的产品技术规范应与本招标文件中规定的要求一致。若有差异投标人应如实、认真地填写差异值;若无技术差异则视为完全满足本技术规范的要求,且在技术差异表中填写“无差异”。
表3技术差异表
|
序号 |
项目 |
对应条款编号 |
技术招标文件要求 |
差 异 |
备 注 |
|
1 |
|
|
|
|
|
|
2 |
|
|
|
|
|
|
3 |
|
|
|
|
|
五.旁路负荷开关其它:
5.1 厂商应提供相关技术文件,如合格证、型式试验报告、使用说明书等;
5.2 产品交接试验应由双方共同参与见证;
5.3 厂商必须为买方提供必要、便捷的售后服务;
6.1 要求投标方在应标时提供详细配置方案。
6.2 在合同签定7天内,供方向需方提供以下技术文件:
① 总装图,设备总的装配情况及外型尺寸等;
② 设备供货时除上述资料外还提供下列资料:设备的附件装箱单,随车装箱单,合格证明书以及设备的安装使用中文说明书等;
7.1 现场安装和试验在投标方的技术指导和监督下由招标方完成,在安装过程中,如发现有质量问题,投标方应及时解决,并提供备品、备件,做好销售服务工作。
7.2 投标方应选派有经验的技术人员,对设备使用人员进行免费培训。
7.3 投标方应协助招标方解决设备运行中出现的问题。如设备出现故障,自接到电话2小时内给予电话答复,24小时内赶到旁路作业设备所在地对相关进行维修,提供及时周到的服务。
7.4 投标方应协助招标方制定相应作业文件和技术标准。
7.5 投标方对设备零部件(包括主设备上拆下的零部件)应保证在运输过程中不会受到损坏、锈蚀,电气元件、密封件及随机资料应包装在防潮材料制成的密封袋内。按合同规定应供给的其它附加设备或装置、随机备件、维修保养所必须的专用工具,应随主设备同时供应。
7.7 运输手续(包括保险)由供方厂商办理,途中押运由厂商负责,运输费用由厂商承担。
8.监造
8.1 投标方必须在签订合同后10天之内以书面形式提供所供设备的制造进度表。按照DL/T586-1995《电力设备用户监造导则》的要求,招标方可随时进厂监造。监造和检验人员有权了解生产过程、查询质量记录和参加各种试验。
8.2 监造范围包括设备的设计、加工、制造、储运、材料采购、组装和试验等重要过程,关键部件的质量控制,进行见证、检验和审核。
8.3 运行单位的工厂监造和检验工作,不减少投标方对产品的质量责任,监造和检验人员不签署任何质量证明。
9.质量保证
9.1 全部设备必须是全新的,持久耐用的,应满足作为一个完整产品所能满足的全部要求。
9.2 投标方应对其整组设备在到货后提供不少于一年的“三包”质量保证。之后如发生产品损坏,投标方应及时为本组装置提供维修部件,并按投标价提供。
9.3 投标方应保证制造过程中的所有工艺、材料试验等(包括投标方的外购件在内)均应符合本标准的规定。若招标方根据运行经验指定投标方提供某种外购零部件,投标方应积极配合。
9.4 投标方应有遵守本标准中各条款和工作项目的ISO9000-GB/T19000质量保证体系,该质量保证体系已经通过国家认证并在正常运转。
六.旁路负荷开关售后服务要求:
10.1 设备的质保期为12个月。
10.2 中标人应不晚于签约后2周内,向招标人提出一个详尽的供货计划书。
10.3 交货时间应在合同签订后60天内完成,交货地点应由招标方指定。
10.4 供货如有延误,供货方应及时将延误交货的原因、后果及采取的补救措施等,向采购方加以说明,否则承担相应损失赔偿。
10.5 投标方为招标方提供技术培训及维修培训,主要内容为设备的基本结构、性能、主要部件的构造及原理,日常使用操作、保养与管理,常见故障的排除,紧急情况的处理等。